【3】MIPI_SONY_SENSOR 初始化
sony sensor 初始化
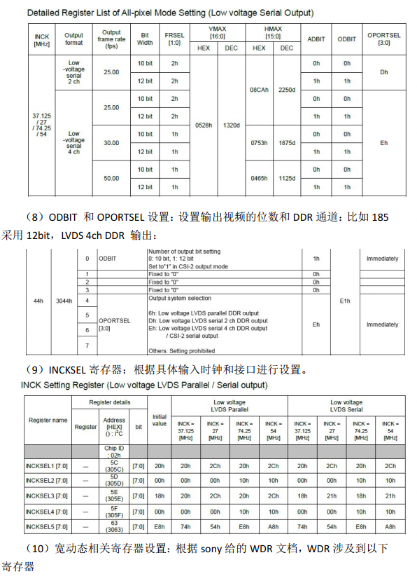
(以 185sensor 为例)
对于 sensor 的初始化寄存器设置,可以利用 datasheet 描述来进行相关寄存器设置。也可以向 sony 要相关的寄存器设置文档,比如此次就跟 sony 要到了imx185 sensor LvDs 的寄存器设置 EXCEL 文档。整个初始化序列可以按照寄存器顺序进行(除个别寄存器,如 STANDBY,SVSOUTSEL,XMSTA 需要在初始化完成后进行设置,使 sensor 进入正常工作模式)。
sensor初始化关键寄存器设置





本文发布于2024年11月14日21:55,已经过了563天,若内容或图片失效,请留言反馈 -
obsidian修改字体间距
背景 我的方案是使用云盘进行obsidian的文件同步的,各端都使用云盘进行数据的同步。最近刚买了macmini,配置在obsidian同步的时候,macos不知道为什么".obsidian"隐藏文件...
2024/11/18
-
优必选小方头刷小智机器人
1. 背景 最近在调研看智能萌宠机器人,正好看到网上有人买了优必选的小方头机器来刷目前的小智,所以买来试试。小方头机器人在2019年9月20日发布,售价1099元,现在咸鱼100块钱就能买到;小智机器...
2025/03/27
-
dify和ragflow同时启动redis冲突
1. 背景 在同一台服务器上同时启动 Dify 和 Ragflow 时,可能会遇到 Redis 容器冲突的问题。具体表现为:当两个服务都启动后,其中一个服务的 Redis 容器可能会被删除,导致该服务...
2025/03/20
-
cursor内claude4.0 中国区无法使用解决方案
相信最近大家在使用cursor的claude4.0的时候突然发现提示: https://blog.askerlab.com/content/uploadfile/202511/c97117620656...
2025/07/20
求索空间
apostle9891
360视觉云
360智慧生活
gitea
导航
hoppscotch
暂无评论